728x90
728x90
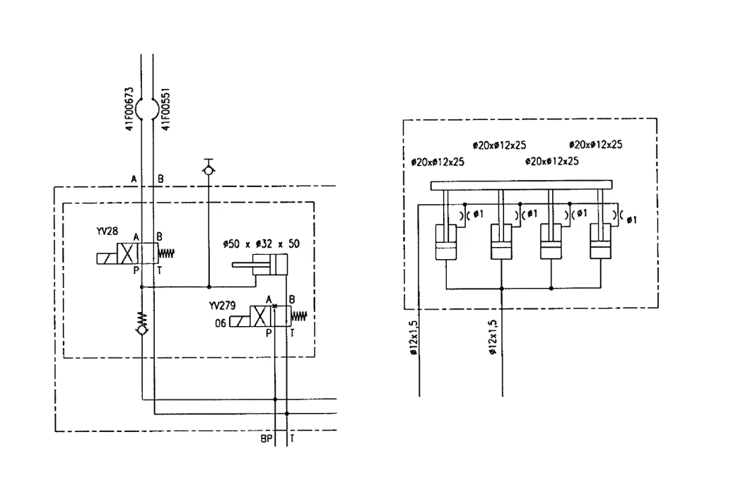
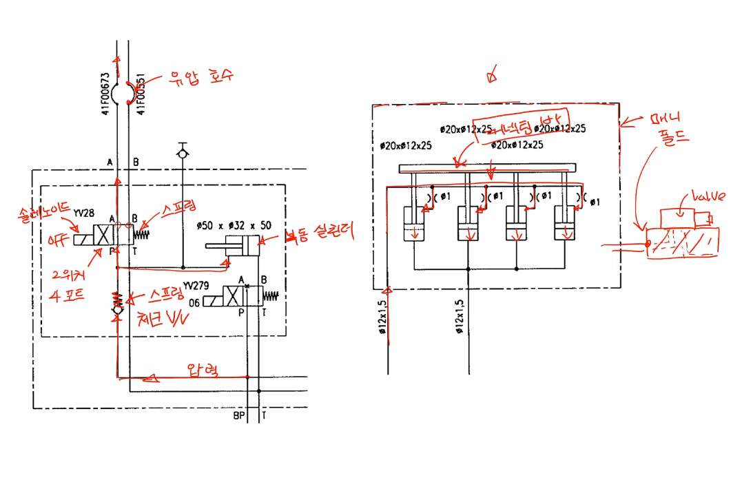
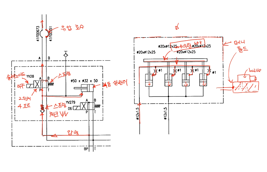
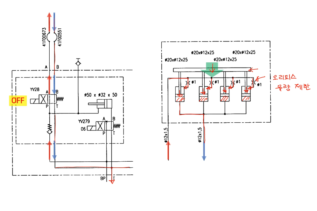
4포트 2위치 유압 밸브






'* 자료실' 카테고리의 다른 글
| [전장부품]3 mpg핸들 전기도면 (0) | 2024.08.31 |
|---|---|
| 공압 밸브 (0) | 2024.08.31 |
| FANUC 31iA PARAMETER 설명 (1) | 2024.06.07 |
| fanuc om parameter 입력설정 (0) | 2024.05.30 |
| FANUC 주축 오리엔테이션 설정 방법 (0) | 2024.05.28 |






| [전장부품]3 mpg핸들 전기도면 (0) | 2024.08.31 |
|---|---|
| 공압 밸브 (0) | 2024.08.31 |
| FANUC 31iA PARAMETER 설명 (1) | 2024.06.07 |
| fanuc om parameter 입력설정 (0) | 2024.05.30 |
| FANUC 주축 오리엔테이션 설정 방법 (0) | 2024.05.28 |