728x90
728x90
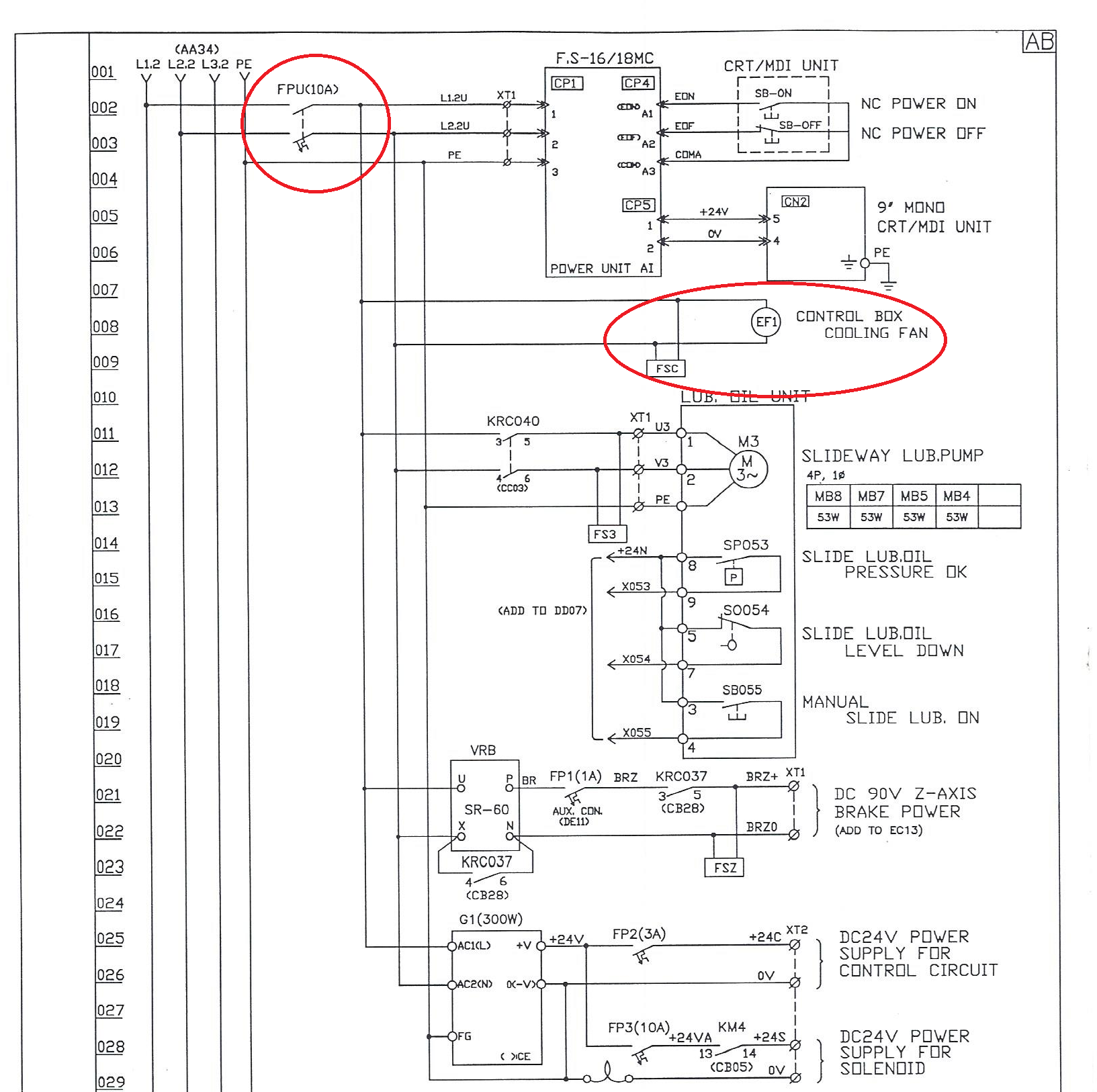
[현상]
파워 ON --> CRT ON 안됨
차단기 TRIP됨
FPU(10A)
[원인]
CONTROL BOX COOLING FAN SHORT
[조치]
CONTROL BOX COOLING FAN 교환


'* AS' 카테고리의 다른 글
| 서보알람 (0) | 2025.12.09 |
|---|---|
| AS 주의사항 (0) | 2025.11.24 |
| 화낙OM 시스템 알람 (0) | 2025.11.07 |
| SV401 ALARM (0) | 2025.08.21 |
| FANUC 31iM AFC 셋팅 (0) | 2025.08.21 |