728x90
[발생] 두산 mb7 2001년 화낙18m
1) z축 충돌후
2) 401 servo alarm
[조치]
1) x,y,x축 리미트 스위치 리셋 -> 이상무
2) z축 모타 케이블 육안 검사 및 연결부 조임 확인 -> 이상무
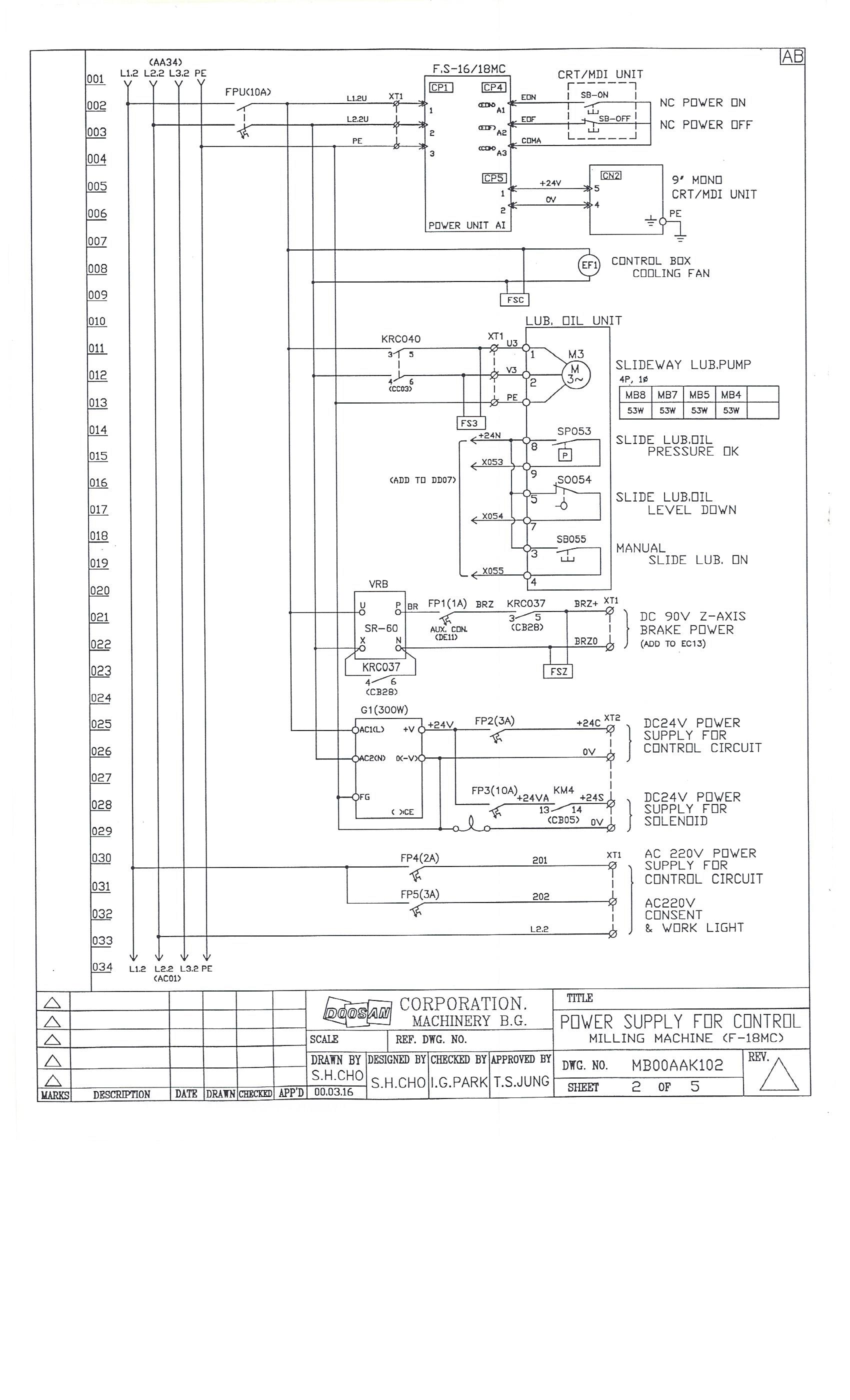
3) 릴레이 점검 krc04 krc05 이상유무 - 교체점검 -> 이상무 ->첨부그림
4) fp4 회로보호기(cp) 트립여부 확인 -> 트립됨 ->첨부그림
5) power amp alarm 확인 -> 알람없음
6) KMP1(MC for PSM) - GMC-125 COIL AC220V (LG) --> 교체후 알람해제







'* AS' 카테고리의 다른 글
| [AS]가공중 불규칙한 기계정지 현상/조치 (0) | 2024.09.02 |
|---|---|
| MB7 드로우바 수리 (0) | 2024.07.02 |
| Alarm 01 (AL-01) Motor OverheatCauses (0) | 2024.05.30 |
| [AS]604 X축 AMP. COMMUNICATION ERROR (0) | 2023.11.08 |
| NFB TRIP COIL / M30 / AUTO POWER OFF DEVICE (0) | 2023.11.02 |